Menu

Galet supérieur HYUNDAI ROBEX25 / ROBEX27 / ROBEX 27Z9

Galet supérieur HYUNDAI ROBEX25 / ROBEX27 / ROBEX 27Z9

Galet supérieur haute qualité pour mini-pelle & mini-chargeuse

+ d'infos

Besoin d'aide pour trouver les pièces adaptées à votre machine ?

40,72 € HT48,86 € TTC
photos non contractuelles. Se fier aux schémas

Tarifs dégressifs pour les pros !

Nombre de pièces achetées Prix Economisez
4 40,72 € Jusqu'à 16,29 € HT

Informations complémentaires

Galets inférieurs et supérieurs pour mini-pelles et mini-chargeuses toutes marques et tous modèles en acier haute qualité pour une meilleure durée de vie de vos pièces de roulement

Chez Toomat.com, nous faisons le choix de vous proposer exclusivement des galets de haute qualité que ce soit pour vos galets inférieurs ou vos galets supérieurs de mini-pelle, mini-dumper et skid loader.

Cela nous permet de vous garantir des pièces de roulement jusqu'à 40% plus résistantes et durables que des pièces adaptables standards pour mini-pelle.

Galets adaptés à de nombreux modèles de mini pelle: KUBOTA, YANMAR, JCB, VOLVO, HITACHI, NEUSON, PEL JOB, KOBELCO, KOMATSU, BOBCAT, CASE, CATERPILLAR...

 EN SAVOIR PLUS sur la qualité de nos pièces

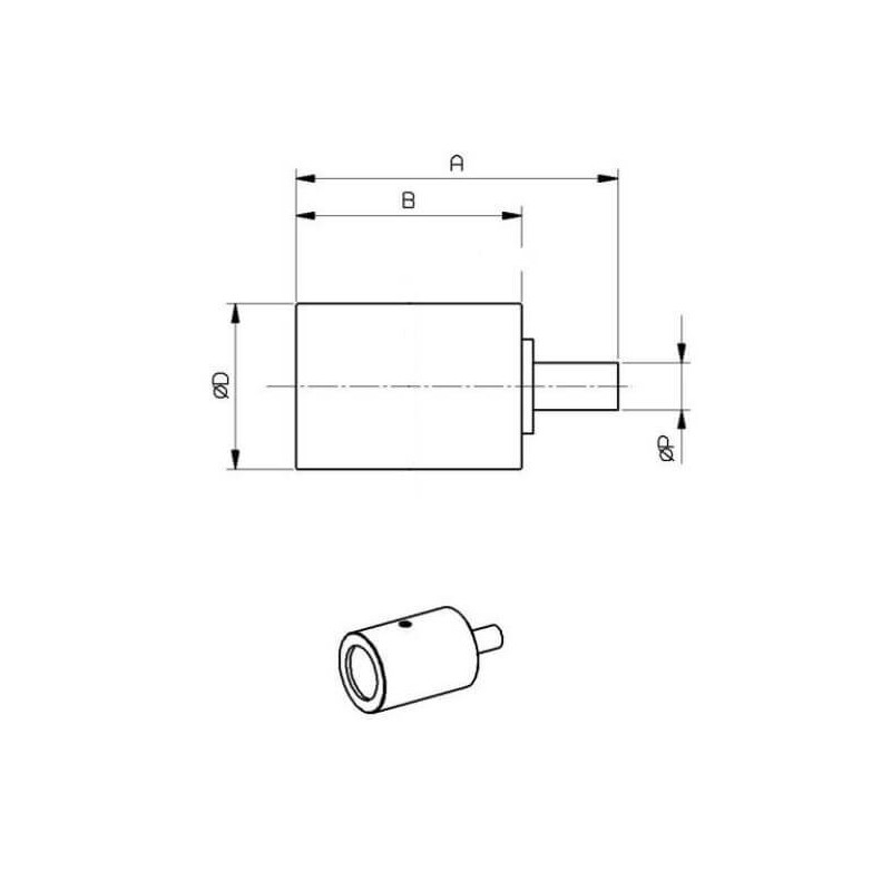
 FICHE TECHNIQUE Mesurer les galets de mini pelle

Données techniques à vérifier

Mesure A (mm) 143
Mesure D (mm) 70
Mesure B (mm)  100